خدمة التوصيل في نفس اليوم في حال الطلب قبل الساعه العاشرة مساء
سلة المشتريات
  • رمز السلعة: ST04572
  • SKU: 545686
  • ماركة:

فيشر دوبليد RH K NV قابس مع خطاف دائري 6 قطع

3.900 KWD العملات الأخرى
الوصف

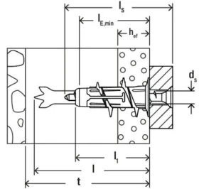
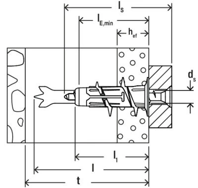
فيشر دوبليد RH K NV قابس مع خطاف دائري 6 قطع

أهم الميزات

  • عزم دوران عالي عند تثبيت المرساة لضمان راحة البال وشعور مثالي عند التركيب.
  • قفل مانع للدوران يمنع الدوران في فتحة الحفر.
  • استخدام خطافات وبراغي وحلقات متوفرة تجاريًا.
  • محرك PZ2 - نفس محرك السدادة والبرغي.
  • سدادة جبس ذاتية الثقب لتركيب سريع وسهل.
  • يتضمن برغيًا بخطاف دائري.

منتج المرتبطة

BACK TO TOP